产品说明
AE801 Micro Force Sensor,AE801微力传感器
AE-800系列传感器元件设计为通用且易于使用的工具,可用于测量机械性能,例如位置,压力,力和加速度。该注释是作为数据手册的附加信息,供客户开始使用其元件来构建自己的传感器或测量装置时使用。该注释提供了有关所用元素和原理的更详细信息。
这些传感器元件与大多数其他半导体应变计之间的基本区别在于,它们预先组装在插头上,从而使其更易于使用并连接到电气连接上。它们是半桥传感器元件,包含两个有源电阻,硅芯片的每一侧各一个。
作为硅应变计,它们具有高灵敏度和良好的长期稳定性的点。
AE-800传感器元件在换能器产品中使用多年后,已被广泛验证,涉及医疗,军事,工业和汽车仪表领域的应用.
[传感器参数]
电压激励1-10 DC或AC
电压激励<6V
电阻值1000Ω±25%
电阻匹配度±10%
光束在满刻度(FS)下的偏转典型值为70μm
光束在FS 0.12 N处的尖端载荷
安过载120%的FSO
[信号参数25℃]
满量程输出(FSO)30 mV / V±30%
单个电阻的规格系数55-70
非线性度(典型值)±0.25%FSO
迟滞(典型值)±0.10%FSO
内部功耗使温度升高,油中为0.25℃/ mW,空气中为1℃/ mW
电阻之间的击穿电压1分钟15 V
[环境参数]
温度范围(操作和存储)-55℃至+125℃
单个电阻的温度系数0.8×10-3 /℃±25%
热零漂±0.02%FSO /℃
热敏度偏移-0.17±0.05%/℃
固有频率(空气中)?12 kHz
[电jue缘]
插头和引线之间的隔离电压1 min 200 V DC
[机械数据]
弹性模量(典型)1.6×105 / mm2
长弹簧常数2 N / mm
重量约120毫克
固有频率(空中)约7 kHz
[尺寸(毫米)
表壳长度5毫米
表壳直径Φ1.8毫米
光束长度5毫米
宽度1毫米
厚度0.15毫米
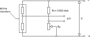
测量电路:
只要将平衡电阻“ Ry”插入换能器元件应变计电桥的一侧,就可以消除空载时的不平衡输出。

|